Магазин запчастей для бытовой техники - Arlos
Москва
close
Выберите ваш регион
АбаканАлександровАльметьевскАнгарскАрзамасАрмавирАртемАрхангельскАстраханьАчинскБалаковоБалашихаБеларусьБелгородБердскБерезникиБийскБлаговещенскБратскБрянскВеликий НовгородВидноеВладивостокВладикавказВладимирВолгоградВолгодонскВолжскийВологдаВолховВоркутаВоронежВоскресенскВыборгГатчинаГеленджикГрозныйДедовскДербентДзержинскДзержинскийДимитровградДмитровДолгопрудныйДомодедовоДонецкЕвпаторияЕгорьевскЕкатеринбургЕлецЕссентукиЖелезногорскЖелезнодорожныйЖуковскийЗеленоградЗлатоустИвановоИвантеевкаИжевскИркутскИстраЙошкар-ОлаКазаньКалининградКалугаКаменск-УральскийКамышинКаспийскКемеровоКерчьКировКисловодскКлинКовровКоломнаКомсомольск-на-АмуреКопейскКоролёвКостромаКотельникиКрасногорскКраснодарКраснознаменскКрасноярскКурганКурскКызылЛенинск-КузнецкийЛипецкЛобняЛыткариноЛюберцыМагнитогорскМайкопМалаховкаМахачкалаМиассМоскваМурманскМуромМытищиНабережные ЧелныНазраньНальчикНаро-ФоминскНахабиноНаходкаНевинномысскНефтекамскНефтеюганскНижневартовскНижнекамскНижний НовгородНижний ТагилНовокузнецкНовокуйбышевскНовомосковскНовороссийскНовосибирскНовоуральскНовочебоксарскНовочеркасскНовошахтинскНовый УренгойНогинскНорильскНоябрьскОбнинскОдинцовоОктябрьскийОмскОрелОренбургОрехово-ЗуевоОрскПавловский ПосадПензаПервоуральскПермьПетрозаводскПетропавловск-КамчатскийПодольскПрокопьевскПсковПушкиноПятигорскРаменскоеРеутовРостов-на-ДонуРубцовскРыбинскРязаньСакиСалаватСамараСанкт-ПетербургСаранскСаратовСевастопольСеверодвинскСеверскСергиев ПосадСерпуховСимферопольСмоленскСосновый БорСочиСтавропольСтарый ОсколСтерлитамакСтупиноСургутСызраньСыктывкарТаганрогТамбовТверьТихвинТольяттиТомилиноТомскТроицкТулаТюменьУлан-УдэУльяновскУссурийскУсть-ИлимскУфаУхтаФеодосияФрязиноХабаровскХанты-МансийскХасавюртХимкиЧебоксарыЧелябинскЧереповецЧеркесскЧеховЧитаШахтыЩелковоЭлектростальЭлистаЭнгельсЮжно-СахалинскЯкутскЯлтаЯрославль
  • - бесплатно по РФ
    Автоперезвон. Работает по принципу: Вы позвонили на номер, мы сбрасываем звонок и перезваниваем через 3 секунды.
  • - по Москве
  • 8 (925) 663-83-63

Call-центр

пн-вс: 10:00-19:00

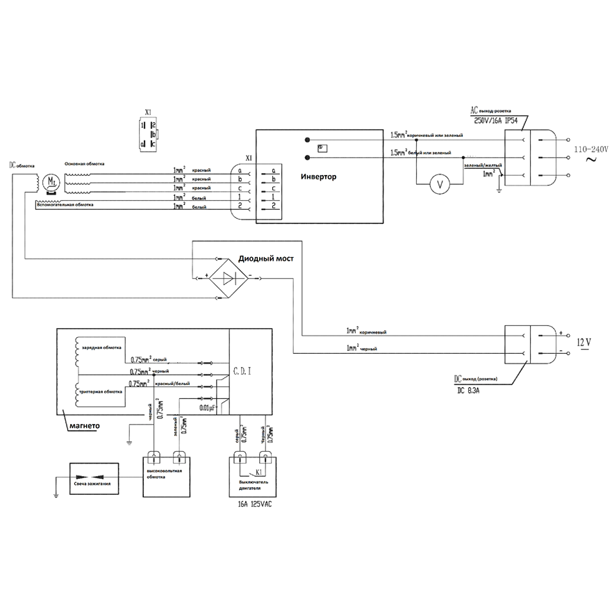
Инверторный генератор СБИ-1100

Данная модель имеет несколько схем

NАртикулНазваниеСрок отгрузкиЦенаКупить
1.01 N000-041-234 ДВС в сборе
1.03 N000-041-235 Прокладка трубы выхлопной
1.04 N000-041-236 Глушитель
1.05 N000-041-237 Крышка топливного бака
1.06 N000-041-238 Мерный стаканчик
1.07 N000-041-239 Фильтр топливный
1.09 N000-041-240 Шланг топливный
1.11 N000-041-241 Кран топливный
1.12 N000-041-242 Бак топливный 2,2 л
1.13 N000-041-243 Кольцо уплотнительное
1.14 N000-041-244 Ручка для переноски
1.19 N000-041-245 Розетка
1.20 N000-041-246 Выключатель двигателя
1.22 N000-041-247 Крышка генератора
1.24 N000-041-248 Амортизатор
1.26 N000-041-249 Крыльчатка
1.28 N000-041-250 Ротор
1.30 N000-041-251 Статор
1.31 N000-041-252 Пружина
1.32 N000-041-253 Прокладка карбюратора (A)
1.33 N000-041-254 Карбюратор
1.34 N000-041-255 Прокладка карбюратора (B)
1.36 N000-041-257 Крышка воздушного фильтра
1.37 N000-041-258 Элемент фильтрующий поролоновый
1.39 N000-041-259 Прокладка впуска
1.40 N000-041-260 Розетка 230 В
1.41 N000-041-261 Панель передняя
1.42 N000-041-262 Инвертор
2.01 N000-041-263 Картер правая часть
2.02_2.14 N000-041-264 Подшипник 6004 шариковый открытый
2.03 N000-041-265 Вал коленчатый в сборе
2.05 N000-041-266 Картер левая часть
2.06_2.49 N000-041-267 Сальник D30xd20x7
2.07 N000-041-268 Пластина регулировки дроссельной заслонки
2.08 N000-041-269 Пружина регулятора оборотов
2.09 N000-041-270 Рычаг регулятора оборотов
2.11 N000-041-271 Кольцо стопорное
2.12 N000-041-272 Вал регулятора оборотов
2.13 N000-041-273 Сальник D12xd6x4
2.15 N000-041-275 Кольцо стопорное
2.16 N000-041-276 Вилка регулятора оборотов
2.20 N000-041-277 Фланец упорный
2.21 N000-041-278 Скоба фланца
2.25 N000-041-279 Подшипник игольчатый K10x14x13
2.26 N000-041-280 Палец поршневой
2.27 N000-041-281 Кольцо стопорное
2.28 N000-041-282 Поршень D45
2.29 N000-041-283 Кольцо поршневое (комплект 2 штуки)
2.31 N000-041-285 Прокладка цилиндра
2.32 N000-041-286 Цилиндр
2.33 N000-041-287 Прокладка головки блока
2.34 N000-041-288 Головка цилиндра
2.39 N000-041-289 Кожух воздушный
2.41 N000-041-290 Стопор
2.42 N000-041-291 Датчик зажигания
2.46 N000-041-293 Винт регулировки нагрузки
2.47 N000-041-294 Пружина
2.50 N000-041-296 Маховик
2.53 N000-041-297 Стартер в сборе (52-60)
2.62 N000-041-305 Прокладка пластины лепесткового клапана
2.66 N000-041-284 Пластина клапана лепесткового
2.67 N000-041-292 Клапан лепестковый
2.68 N000-041-274 Впускной коллектор
2.70 N000-001-726-2 Свеча зажигания F7TC для газонокосилок 383 р.
2.71 N000-041-298 Магнето
Найдено товаров: 65
1
▲ Наверх
0
8 (925) 663-83-63

Call-центр

пн-вс: 10:00-19:00

НАЙТИ ПО МОДЕЛИ
Введите номер заказа
Введите номер своего заказа, что бы узнать его текущий статус.
Что бы получить доступ к расширенным функциям, пройдите не сложную регистрацию. Зарегистрироваться